05.06.2012 09:47
Компания Delta Electronics выпустила новый современный преобразователь частоты для водоснабжения, вентиляции, кондиционирования и отопления.
Серия CP2000 создана на базе новой, инновационной платформы C2000, разработанной Delta c использованием технологий всеохватывающего компьютерного моделирования.
Приводы серии C2000 Delta Electronics характеризуются продуманной модульной конструкцией с быстросъемными вентиляторами и отстегивающийся передней панелью c программируемым графическим дисплеем, передовым термическим дизайном, полностью изолирующим основную систему охлаждения от электроники, наличием встроенного радиочастотного фильтра и дросселя в звене постоянного тока.

Рис. 1. Приводы серии CP2000 хорошо адаптированы к тяжелым условиям окружающей среды и соответствуют европейскому стандарту электромагнитной совместимости EN61800-3
Конструкция привода предусматривает фланцевый монтаж в специальный проем шкафа, когда горячие элементы привода вообще вынесены за его пределы. Стоит отметить и высококачественное покрытие прочным пыле-влагозащитным составом внутренних печатных узлов CP2000.

Рис.2. “Горячая” часть привода располагается за первым фланцем, поэтому она может быть вынесена за пределы шкафа и полностью изолирована от холодной.
Приводы Delta серии C2000 довольно компактны и меньше приводов конкурентов практически во всех случаях:

Рис. 3. Cерия CP2000 как правило существенно малогабаритнее конкурентов
Как правило, преобразователь насосно - вентиляторной серии является одним из самых простых и недорогих в линейке, реализующий несложное скалярное управление двигателем V/F. Однако Delta Electronics считает, что сегодня этого недостаточно. Поэтому первым сюрпризом при знакомстве с насосной серией CP2000 является реализация бездатчикового векторного управления с функцией автонастройки на параметры двигателя, характерного для самых дорогих и продвинутых «флагманских» серий конкурентов. Конечно, простое и многозонное скалярное управление по закону V/f присутствует и работает отлично.

Рис.4. Механические характеристики привода при скалярном (V/F) и векторном (SVC) управлении
Векторное управление позволяет увеличить КПД двигателя для приложений с переменным моментом нагрузки, а так же повысить качество регулирования ( скорость и точность) при использовании встроенного контроллера.
Вторым проиятным сюрпризом является наличие на борту не только стандартного MODBUS и RS-485-го, но и интерфейса BACnet MS/TP. Это означает, что в подавляющем числе приложений автоматизации инженерных сетей здания, интеграция в систему диспетчеризации осуществится легко и без дополнительных затрат.
Если же данного бесплатного набора недостаточно, то за абсолютно адекватные деньги можно доукомплектовать привод опциональными контроллерами PROFIBUS, DeviceNet, CANopen, EthernetIP или MODBUS TCP.
Совершенно нелишним для приложений водоснабжения и отопления будет наличие часов реального времени, счетчика электроэнергии и «честного» ПЛК на 10 тыс. шагов программы, программируемого на технологических языках стандарта МЭК-61131 (релейно-контакторной логики, функциональных блоков, последовательных диаграмм и других), что является еще одной приятной неожиданностью. Программирование ПЛК, а так же графической панели привода, осуществляется с помощью совершенно бесплатной (!) среды разработки, общей для других ПЛК Delta.
ПЛК может расширяться дополнительными платами ввода-вывода, устанавливаемыми прямо в привод.
С помощью часов реального времени, счетчика электроэнергии, ПЛК и развитых сетевых протоколов, возможно одним только приводом реализовывать сложные энергосберегающие алгоритмы управления инженерными сетями, учитывающие графики работы персонала и оборудования, пиковые нагрузки, технологические программы, осуществлять синхронизацию с технологическими процессами и многое другое.
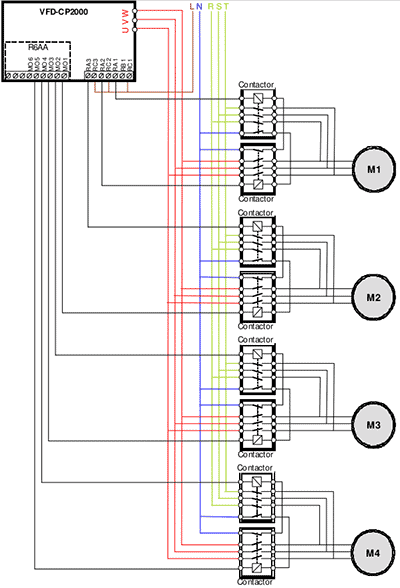
Если в Вашей насосной станции до 8-ми насосов, работающих на общую нагрузку, совершенно необязательно покупать соответствующее количество преобразователей. Один VFD-CP2000 вполне справится со всеми 8-мью насосами, реализовывая разнообразные встроенные алгоритмы управления:
1. Фиксированное время работы ( Fixed time, переключение до 8-ми насосов по времени один за другим, обеспечивая равномерный износ и недопуская образования ржавчины в насосах, с возможностью выключать любые из цикла)
2. Управление выходным давлением или расходом до 4-х насосов по внешнему датчику давления или расхода с помощью встроенного ПИД регулятора ( Fixed amount circulation). При этом насосы будут подключаться к приводу, либо напрямую к сети по очереди, в зависимости от требуемого давления или расхода. Давление на выходе будет точно соответствовать заданному.
Рис.5. Схема управления 4-мя насосами от одного привода.

Рис.6. Диаграмма работы насосов в режиме 2.
3. Управление выходным давлением или расходом до 8-ми насосов по внешнему датчику давления или расхода (Fixed amount control). Привод всегда подключен только к главному насосу. Остальные подключаются сразу к сети по мере необходимости. Давление или расход на выходе изменяется ступеньками и соответствует заданному диапазону.
Рис. 7. Схема подключения до 8-ми насосов для ступенчатого управления расходом или давлением
Рис. 8. Диаграмма работы насосов в режиме 3
4. Комбинация первого и второго режима. Если какой-то из насосов долго не используется, то, для предотвращения образования ржавчины, включается алгоритм чередования по времени, гарантируя возможность работы каждого насоса.
5. Комбинация первого и третьего режима. Если какой-то из насосов долго не используется, то, для предотвращения образования ржавчины, включается алгоритм чередования по времени, гарантируя возможность работы каждого насоса.
Эти алгоритмы не нужно программировать, их нужно просто включить, установив соответствующие регистры. Если же готовые алгоритмы почему-то не устраивают, можно легко реализовать свой алгоритм, сложность которого ограничивается только Вашей фантазией и 10-тью тысячами шагами программы ПЛК.
Преобразователи частоты CP2000 имеет специальный режим работы в качестве пожарного насоса или пожарного дымососа. В этом режиме преобразователь пытается не реагировать на возникающие ошибки и защиты и автоматически их сбрасывает. Если количество ошибок превышает заданное, преобразователь с помощью специального сигнала включает байпас и подключает двигатель напрямую к сети. Возможен вариант работы без байпаса, в этом случае преобразователь будет качать воду или отводить дым до разрушения.
Преобразователи частоты Delta Electronics пользуются большим успехом в странах, где существуют проблемы с электрической сетью. В момент пропадания питания длительностью до 5 секунд, работает функция поиска скорости, и в случае восстановления питания, нагрузка подхватывается безударно “на лету”. И конечно, новая серия CP2000 позволяет “на лету” подхватывать вращающеюся инерционную нагрузку без ударов и срабатываний защит.
Преобразователи частоты насосной серии CP2000 следуют тенденции увеличения мощности приводов насосов и вентиляторов в современных системах и перекрывают диапазон от 0.75KW до 400 кВт (650 кВт – в ближайшем будущем) в диапазоне напряжений 230В – 460В.
Ну а самой приятной для многих неожиданностью при знакомстве с новой серией CP2000 Delta Eletronics окажется цена – новый привод дешевле даже высококонкурентной «рабочей лошадки» HVAC Delta Electronics – привода VFD-F, причем чем больше мощность, тем выше выигрыш в цене.
Подробнее о преобразователе частоты Delta Electronics CP2000 смотрите на сайте “Частотник” http://vfd.com.ua. Приобрести преобразователи частоты серии CP-2000,а так же получить углубленные консультации по его применению можно у компании АО “Системы реального времени -Украина” - официального дистрибьютора Delta Electronics в Украине.